高性能且操作简便的软件
支持连接 Graphtec 的 midiLOGGER 系列
GL7000、GL2000、GL980、GL860 和 GL260 随附的 GL-Connection 软件可用于控制设备。
这是一款用于 GL 系列的集成应用软件,也支持连接和控制 GL900、GL860、GL840、GL820、GL260、GL240 和 GL220。
GL7000 / GL2000 / GL980 / GL860 / GL840
GL260 / GL240 / GLT400 / GL900 /GL820/ GL220

多种测量画面
测量信号可根据应用需求显示在多种类型的画面中。

多窗口显示功能、支持多种信号展示形式
多窗口显示功能
GL-Connection 软件最多支持 2000 个通道和 20 台 GL 系列设备。
它最多可分为 4 个窗口、每个窗口可显示不同的格式、便于对大量通道信号进行高效监控。
.

当 GL 系列设备通过以太网或 USB 与电脑连接时、GL-Connection 软件可管理多种信息、包括采集中数据、自由运行模式下的数据(即不保存的实时显示数据)以及已保存文件中的数据。
此外、GL-Connection 软件还支持显示保存在电脑中的数据。
当 GL 系列设备通过以太网或 USB 与电脑连接时、GL-Connection 软件可管理多种信息、包括采集中数据、自由运行模式下的数据(即不保存的实时显示数据)以及已保存文件中的数据。
此外、GL-Connection 软件还支持显示保存在电脑中的数据。

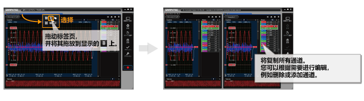
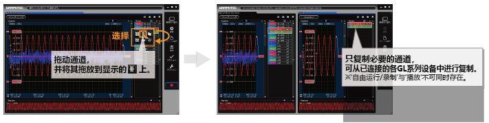
标签功能
标签功能可帮助用户直观且轻松地管理显示画面。
在多窗口显示模式下、画面可通过 标签功能进行分割、并显示所选的内容。
显示项目可根据需求进行详细设定、例如 GL 主机级别、各输入模块级别、指定通道以及其他相关设置。
- 复制整个标签页

- 复制通道

- 移动标签页

- 光标同步

- GL7000远程锁解除

GL系列集成应用软件
该软件与 GL7000 配合使用时、可以控制和显示包括 FFT 测量在内的数据。与其他 GL 系列配合使用时、该软件主要提供波形查看功能、并具备基本功能控制。其他 GL 系列采集的数据与 GL-Connection 和 APS 软件兼容。

多台连接及保存数据的整合功能
GL-connection软件可管理GL系列多台混合运行的机组。数据整合功能可将各机组保存的多个数据文件创建为同一时间轴的单一文件、让您能够立即掌握整体情况。
| 连接方法 | 机型 | 机型混合 | 启动/停止控制 | 数据整合 |
1. 多单元连接![]() | GL7000 GL2000 GL980 GL860 GL840 GL260 GL240 GLT400 | 可 | 对每个单元进行操作 | 完成数据捕获后手动进行 |
| 2. 链路连接 (同时) ![]() | GL7000 GL2000 GL980 GL860 GL840 GL260 GL240 GLT400 | 可 | 所有单位一次性完成动作 ※动作时间可能同步 | 数据采集完成后自动生成 也可以手动生成 |
| 3. 链路连接 (同步) ※使用同步电缆连接各个单元。 ![]() | GL7000 | 不可 | 所有单位在一次操作中完全同步地完成动作 | 数据采集完成后自动生成 也可以手动生成 |
| 4. 混合连接, 1号和3号混合 ![]() | GL7000 GL2000 GL980 GL860 GL840 GL260 GL240 GLT400 | 操作或动作的方式根据连接类型(1 号至 3 号)而有所不同 ※在 GL7000 中使用同步电缆时,可以实现完全同步。 | ||
- 数据集成工作流程

- 超过100台或100通道(模拟通道+逻辑通道)时,无法创建综合文件。
- 当各个文件的采样速度不同时,将使用最快的采样速度来整合数据。
- 即使包含 GL 系列来捕获数据,集成数据文件中的数据格式也是 GL7000 格式。
软件的主要功能
| 项目 | 内容 | ||
| GL-Connection (版本2.0或更高版本) ※GL260 (版本 2.60 或更高版本) ※GL860 (版本 2.70 或更高版本) ※GLT400 (版本 2.50 或更高版本) | 连接 | 支持的型号 | GL7000, GL2000, GL980 GL900-4/-8 (固件版本 3.01 或更高版本) GL860 GL840 (固件版本 1.21 或更高版本) GL820 (固件版本 1.08 或更高版本) GL260 GL240 (固件版本 1.21 或更高版本) GL220 (固件版本 1.06 或更高版本) |
|---|---|---|---|
| 最大连接数量 | 20 | ||
| 最大通道数 | 2000 | ||
| 混合使用 USB 和 LAN | 可 | ||
| 显示 | 屏幕分割 | 4 屏幕 | |
| 分组功能 | 最多 20 组 | ||
| GL980_2000-APS | 连接 | 支持的型号 | GL2000/GL980 |
| 最大连接数量 | 1 | ||
| 最大通道数 | 4 或 8 | ||
| 混合使用 USB 和 LAN | 不可 | ||
| 显示 | 屏幕分割 | 1屏 | |
| 分组功能 | 不可 | ||
| GL100_GL240_GL840-APS | 连接 | 支持的型号 | GL840/GL820/GL240/GL220/GL100 |
| 最大连接数量 | 10 | ||
| 最大通道数 | 1000 | ||
| 混合使用 USB 和 LAN | 可 | ||
| 显示 | 屏幕分割 | 1屏 | |
| 分组功能 | 4 屏幕 | ||
| GL28-APS | 连接 | 支持的型号 | GL860/GL840/GL260/GL240 |
| 最大连接数量 | 10 | ||
| 最大通道数 | 1000 | ||
| 混合使用 USB 和 LAN | 可 | ||
| 显示 | 屏幕分割 | 1屏 | |
| 混合使用 USB 和 LAN | 4 屏幕 | ||
| GL220_820-APS | 连接 | 支持的型号 | GL820/GL800/GL220/GL200A |
| 最大连接数量 | 10 | ||
| 最大通道数 | 500 | ||
| 混合使用 USB 和 LAN | 不可 | ||
| 显示 | 屏幕分割 | 1屏 | |
| 屏幕分割 | 4 屏幕 | ||
| GL900-APS | 连接 | 支持的型号 | GL900-4/GL900-8 |
| 最大连接数量 | 1 | ||
| 最大通道数 | 4 或 8 | ||
| 混合使用 USB 和 LAN | 不可 | ||
| 显示 | 屏幕分割 | 1屏 | |
| 屏幕分割 | 不可 | ||
支持的型号与连接条件
- 使用 B-568 选项
- B-568 仅在部分地区提供
| 适用机型 | USB连接 | LAN连接 | 无线局域网连接 | 连接限制 |
| GL7000 | 可 | 可 | 不可 | (1) GL 系列最多支持 20 台设备 (2) 最多支持 2000 个通道 |
|---|---|---|---|---|
| GL2000 / GL980 | 可 | 可 | 不可 | |
| GL860 | 可 | 可 | 可 ※ | |
| GL840 | 可 | 可 | 可 ※ | |
| GL260 | 可 | 不可 | 可 ※ | |
| GL240 | 可 | 不可 | 可 ※ | |
| GLT400 | 可 | 可 | 可 ※ | |
| GL900 | 可 | 可 | 不可 | |
| GL820 | 可 | 可 | 不可 | |
| GL220 | 可 | 不可 | 不可 |
采样限制
高速采样会受到记录通道数量、连接的模块数量以及记录目的地等因素的限制。
即使在以下限制范围内,当连接多个模块时,尤其是通过LAN连接时,可能由于传输延迟导致数据传输不完整。
如果发生这种情况,请降低采样率。
有关GL设备限制的详细信息,请参阅光盘中的主模块用户手册。
GL7000
| 名称 | 说明 | ||
|---|---|---|---|
| 由单元引起的限制 (GL设备端的限制) | 电压单元 | 1 ms | |
| 电压/温度单元 | 10 ms | ||
| 高速电压/ 高电压单元 | 1 µs | ||
| 应变/ 加速度单元 | 10 µs | ||
| 逻辑 / 脉冲単元 | 逻辑: 1 µs / 脉冲: 100 µs | ||
| 根据记录目的地的限制 (GL设备端的限制) | 内置RAM | 1 µs | |
| 内置闪存 | 1 ms | ||
| SD卡 | 1 ms | ||
| SSD单元 | 1 到 2 个模块:1 微秒;但脉冲仅支持到 8 通道 3 到 4 个模块:2 微秒;但脉冲仅支持到 16 通道 超过 5 个模块:5 微秒 | ||
| 根据主机记录格式的限制 (GL设备端的限制) | GBD (二进制) | 1 µs | |
| CSV (文本) | 10 ms | ||
| 由于循环记录所导致的限制 (GL设备端的限制) | 100 ms ※ 此应用程序无法使用 GL 设备的计算功能。 此应用程序不具备计算功能。 | ||
| 由于通信所导致的限制 (应用程序的限制) | 根据数据通信量,PC记录有估算的采样设置。 ※ 当通过现有网络(如 LAN 连接)进行连接时,通信可能无法在以下限制范围内完成。 在这种情况下,请使用 USB 连接,或设置较低的采样率。 | ||
| USB连接 | GBD (二进制) 格式 | 1 ms / 5 単元 (*) | |
| CSV (文本)格式 | 1 ms / 5 単元 (*) | ||
| LAN连接 | GBD (二进制)格式 | 1 ms / 5 単元 (*) | |
| CSV (文本) 格式 | 1 ms / 5 単元 (*) | ||
GL860, GL840, GL260, GL240, GLT400, GL820, GL220
| 名称 | 说明 | ||
|---|---|---|---|
| 由放大器引起的限制 (GL 模块端的限制) | 可用通道数量 | 最快采样 | |
| 1 | 10 ms | ||
| 2 | 20 ms | ||
| 3 到 5 | 50 ms | ||
| 6 到 10 | 100 ms | ||
| 11 到 20 | 200 ms | ||
| 21 到 50 | 500 ms | ||
| 51 到 100 | 1 s | ||
| 101 到 200 | 2 s | ||
| ※GS/WL 传感器的通道数量未包含在内 | |||
| 主模块基于记录格式的限制 (GL设备端的限制) | GBD (二进制) | 10 ms | |
| CSV (文本) | 100 ms (※10ms – 适用于 GL860、GL840、GL260 和 GL240) | ||
GL2000, GL980
| 名称 | 说明 | ||
|---|---|---|---|
| 根据记录目的地的限制 (GL设备端的限制) | 内置RAM | 1 µs | |
| 内置闪存 | 1 ms | ||
| USB存储器 | 1 ms | ||
| 根据主机记录格式的限制 (GL设备端的限制) | GBD (二进制) | 1 ms | |
| CSV (文本) | 1 ms | ||
GL900
| 名称 | 说明 | ||
|---|---|---|---|
| 根据记录目的地的限制 (GL设备端的限制) | 内置RAM | 10 µs | |
| 内置闪存 | 1 ms | ||
| USB存储器 | 1 ms | ||
| 根据主机记录格式的限制 (GL设备端的限制) | GBD (二进制) | 1 ms | |
| CSV (文本) | 10 ms | ||
功能
| 项目 | 内容 |
|---|---|
| 模块设定列表 日本語だとアンプ設定 | 可以同时显示多个模块的设定内容,且现在可以将设定条件保存为 CSV 数据。 |
| 远程锁定开/关功能 | 在 GL-Connection 控制下,可以在 GL7000 上进行设定操作。 |
| 统计 / 显示 | 显示统计计算结果。 采集数据:最大值、最小值、峰值或平均值 回放数据:光标之间的最大值、最小值、峰值、平均值或均方根值(RMS) |
| 校验和功能 | 这是一个用于录制数据的简易文件完整性检查功能。 当文件内容被第三方等篡改时,通过校验和检查可以发现校验和不一致,从而判断文件已被篡改。 校验和功能会在录制文件中附加校验和信息。 ※此软件以及 GL 单元上的固件必须是支持校验和功能的版本。 |
| 文件操作 | 将二进制数据转换为 CSV 数据(特定时间段、全部数据合并为一个文件、或分成多个文件), 并可通过压缩或合并多个文件来创建新文件。 |
| 搜索功能 | 标准:任意通道中的特定标准 报警:任意通道中发生的报警事件 时移:数据的开始、中间、结束、触发点、指定时间(绝对时间或相对时间)、指定时间 |
| 警告功能 | 当发生报警时,向指定地址发送电子邮件。 |




