GL28-APS 电脑应用程序软件
GL28-APS 电脑应用程序软件
该应用软件可将 GL 系列设备连接至电脑,支持设置、记录及管理记录数据。
最多可连接并控制 10 台 GL 系列设备或 1000 个通道。
支持的型号
GL860 / GL260 / GL840 / GL240
多种测量界面
三种测量界面:Y-T 界面、数字界面和统计界面。
直接转成 Excel 功能可在测量开始时将数据直接发送至 Excel。
◆Y-T界面

◆ 数字界面

◆ 统计与计算界面

◆ 直接转成 Excel 功能

.

连接设备的检索功能
无需进行详细的连接设置,即可自动检测设备。

测量数据的离线缩放处理
可对已记录的GBD数据文件进行离线缩放设置修改。
在GBD数据播放期间,可以通过“菜单” > “缩放设置”来调整缩放设置。
更改缩放设置后,选择“更改并保存”即可保存更新后的数值。
也可以使用“于批量转换”功能将缩放设置应用于多个文件。
设置将应用于列表中第一个选中的文件,只有当后续文件与第一个文件具有相同条件时,缩放设置才会应用于它们
条件如下:
- 模拟通道的通道数、输入方式和范围相同
- 脉冲通道的通道数和输入方式相同
- 现有的缩放设置相同

录制安排功能
测量的开始和停止可以提前安排,实现无需人工操作的自动启动和停止。

搜索列表显示功能
通过设置搜索条件,结果将以列表形式显示,并可导出为CSV文件。

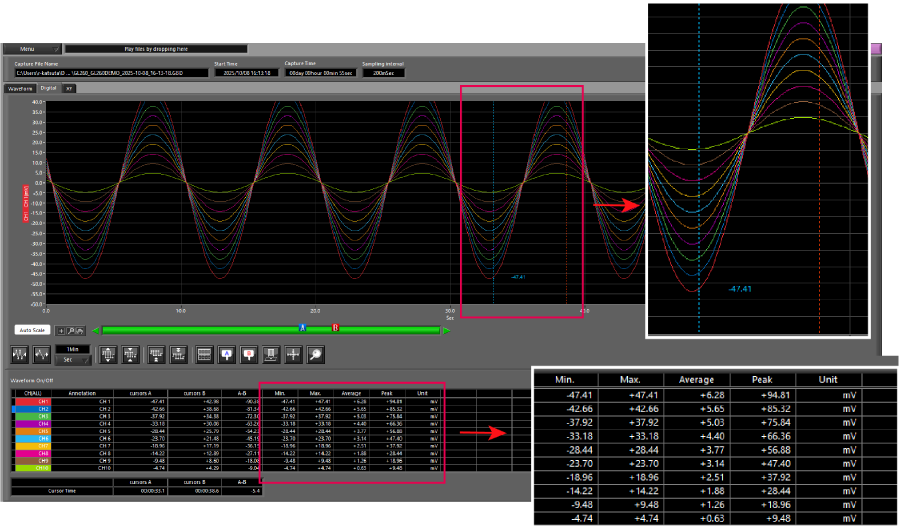
任意范围的统计显示
可显示任意选定范围的统计计算结果,包括最大值、最小值、平均值和P-P值。

播放数据的保存与转换
播放数据可以保存为“所有数据”或“光标间”。保存的数据也可以转换并以CSV格式保存。

多台设备的同步录制与文件自动合成功能
将记录组(1~4)设置为同一组时,除了生成各自的文件外,还可以获得一个包含测量结果的合并文件。

直接转成 Excel 功能
在记录过程中,数据可实时传输至Excel。可以通过统计值或瞬时值生成日报和月报报告。

便捷功能
- 报告设定 (日报 / 月报)
- 保存与加载设置
- 屏幕打印 / 图像保存
- 警报邮件通知
- 统计与警报历史显示
- 覆盖写入/联结
规格
スクロールできます
| 项目 | 内容 | ||||
|---|---|---|---|---|---|
| 支持的操作系统 | Windows 11 | ||||
| 支持的设备 | GL860 / GL260 / GL840 / GL240 | ||||
| 组数 | 最多 4 组 | ||||
| 每组的通道数量 | 最多为连接模块的通道数 | ||||
| 最大可连接设备数量 | 最多10台设备(最大通道数:1000通道) | ||||
